車床內藏式主軸
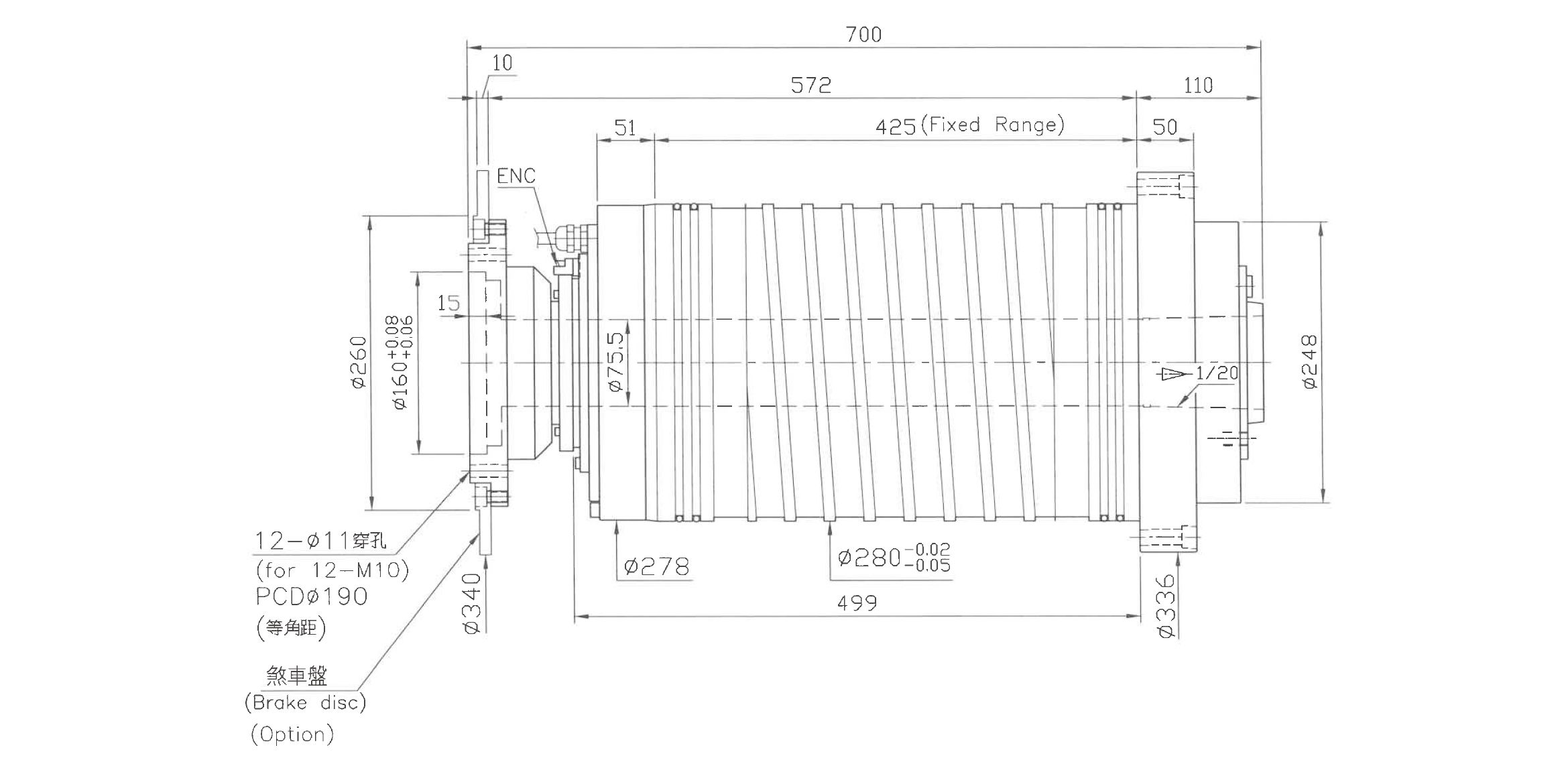
L6-UMK
本系列主軸專為高階CNC車床設計,具備緊密結構設計,搭配低振動設計與小熱變位,確保穩定的加工精度表現。同時,依機型有各式線圓功率可以選擇同時可搭配不同的國際通用控制器可運用於各種不同的機台如車銑複合,雙主軸等等及加工領域。
車床內藏式主軸規格表
| 型號 | 鼻端規格 | 最高轉速 (rpm) | 軸承數目 | 選配 | 功率 | 前軸承直徑 | 套筒外徑 | 通孔徑 |
|---|---|---|---|---|---|---|---|---|
| L4-LMS | A2-4 | 5000-6000 | 4 | 編碼器、煞車 | 8KW | Ø 80 mm | Ø 190 mm | Ø 44 mm |
| L5-GMK | A2-5 | 5000 / 6000 | 4 | 編碼器、煞車 | 7.9KW | Ø 100 mm | Ø 230 mm | Ø 50 mm |
| L6-UMK | A2-6 | 5000 | 4 | 編碼器、煞車 | 12KW | Ø 110 mm | Ø 280 mm | Ø 75.5 mm |
| L8-QMK | A2-8 | 3000 | 4 | 編碼器、煞車 | 30KW | Ø 150 mm | Ø 365 mm | Ø 70 mm |


