Вертикальный шлифовальный шпиндель с диаметром корпуса 240 Производитель | MicroLab Precision Technology Co., Ltd.
Вертикальные шлифовальные машины - это специализированные устройства для обработки крупных или неправильно сформированных заготовок. Для достижения максимальной точности шлифовки шпиндель требует усиленной конструкции, отличающейся от типичных встроенных моделей. Специально разработанный для этого приложения, шпиндель имеет конфигурацию переднего подшипника с высокой жесткостью для поддержки длинных шлифовальных кулачков. Он также включает в себя верхний гидравлический цилиндр для смены инструмента, что обеспечивает легкое обслуживание и регулировку. Эта серия является критически важным компонентом для максимизации производительности вертикальных шлифовальных станков. ※ Примечание: Горизонтальный тип является нашим стандартом.
Вертикальный шлифовальный шпиндель с диаметром корпуса 240
H6-KMX
Вертикальные шлифовальные станки — это специализированные машины для обработки крупных или неправильно сформированных заготовок. Для достижения максимальной точности шлифования шпиндель требует усиленной конструкции, отличающейся от типичных встроенных моделей.
Специально разработанный для этого приложения, шпиндель имеет конфигурацию переднего подшипника с высокой жесткостью для поддержки длинных шлифовальных кулачков. Он также включает в себя верхний гидравлический цилиндр для смены инструмента, что обеспечивает легкое обслуживание и регулировку. Эта серия является критически важным компонентом для максимизации производительности вертикального шлифовального станка.
※ Примечание: Горизонтальный тип является нашим стандартом.
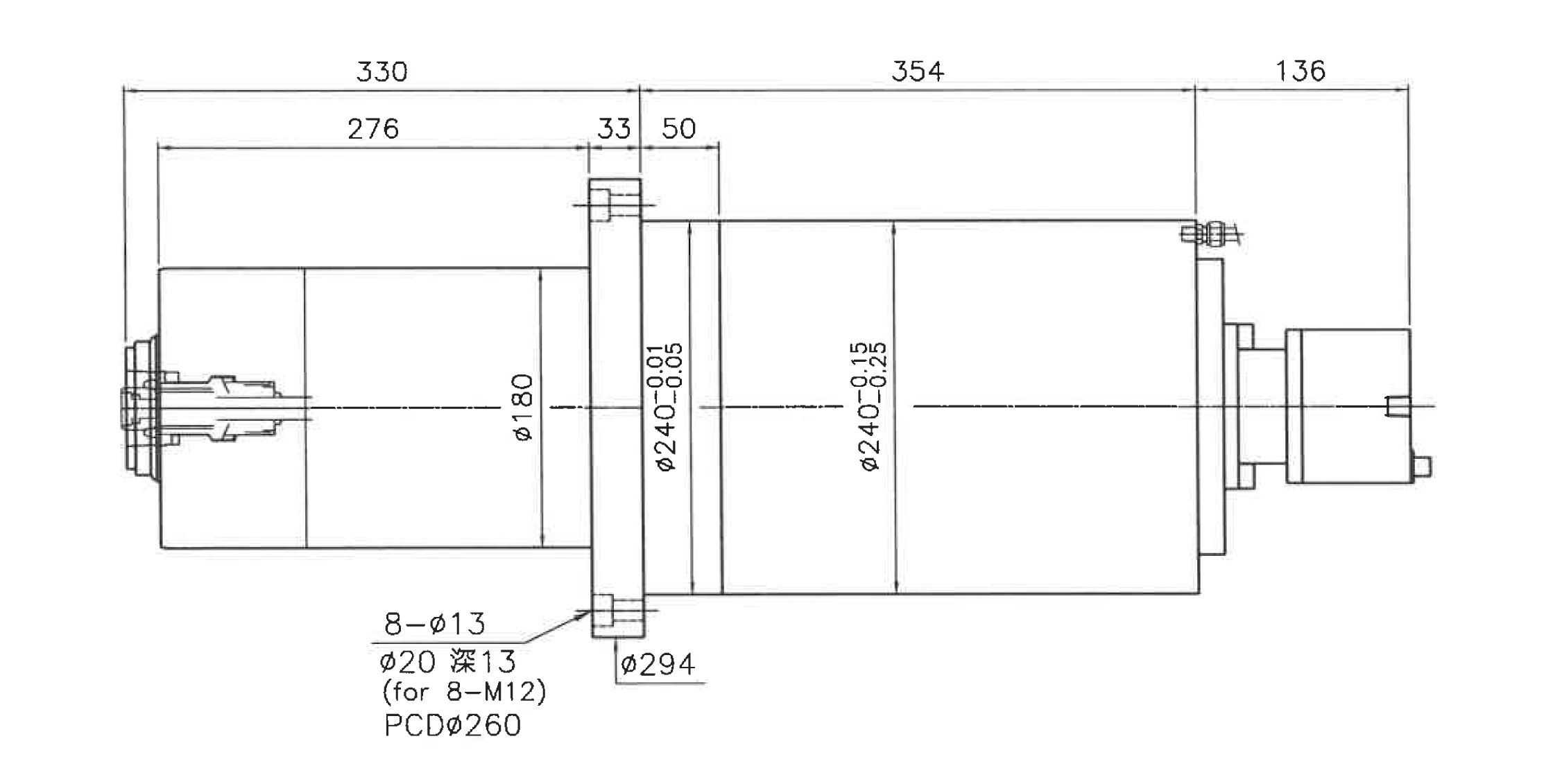
Спецификация вертикального шлифовального шпинделя
| Модель |
Макс. скорость (об/мин) (об/мин) | Держатель инструмента | Количество подшипников | Мощность | Диаметр переднего подшипника (мм) | Внешний диаметр корпуса (мм) |
|---|---|---|---|---|---|---|
| H6-KMX | 8000-10000 | HSK63A | 5 | 19КВт | Ø 65 | Ø 240 |
| H10-KMX | 6000 | HSK100A | 5 | 19КВт | Ø 100 | Ø 240 |

Шпиндель обрабатывающего центра, вертикальный шлифовальный шпиндель с диаметром корпуса 240 Производитель - MicroLab
Находясь на Тайване с 1999 года, MicroLab Precision Technology Co., Ltd. является производителем шпинделей для обработки в индустрии станков. Основные продукты включают шпиндели для обрабатывающих центров, встроенные шпиндели, поворотные шпиндельные головки, A/C двойные поворотные шпиндельные головки, шпиндели с прямым приводом, высокоскоростные шпиндели, шпиндели с ременным приводом и так далее.
Высокая эффективность производства шпинделей и поворотных столов с глубокими знаниями в области науки и технологий для достижения наилучших показателей производительности и безопасности продукции в соответствии с международными стандартами инспекции и оценки. Фрезерные и токарные шпиндели с прямым приводом, шпиндели с прямым приводом, шпиндели с встроенным двигателем, шпиндели с прямым приводом и шпиндели с ременным приводом с выдающимися характеристиками в отношении подшипников, скорости и обработки.
MicroLab предлагает клиентам высококачественные шпиндели для обработки, как с передовыми технологиями, так и с 30-летним опытом, MicroLab гарантирует выполнение требований каждого клиента.

