#40 A/C 單臂二軸頭
ATA-WM
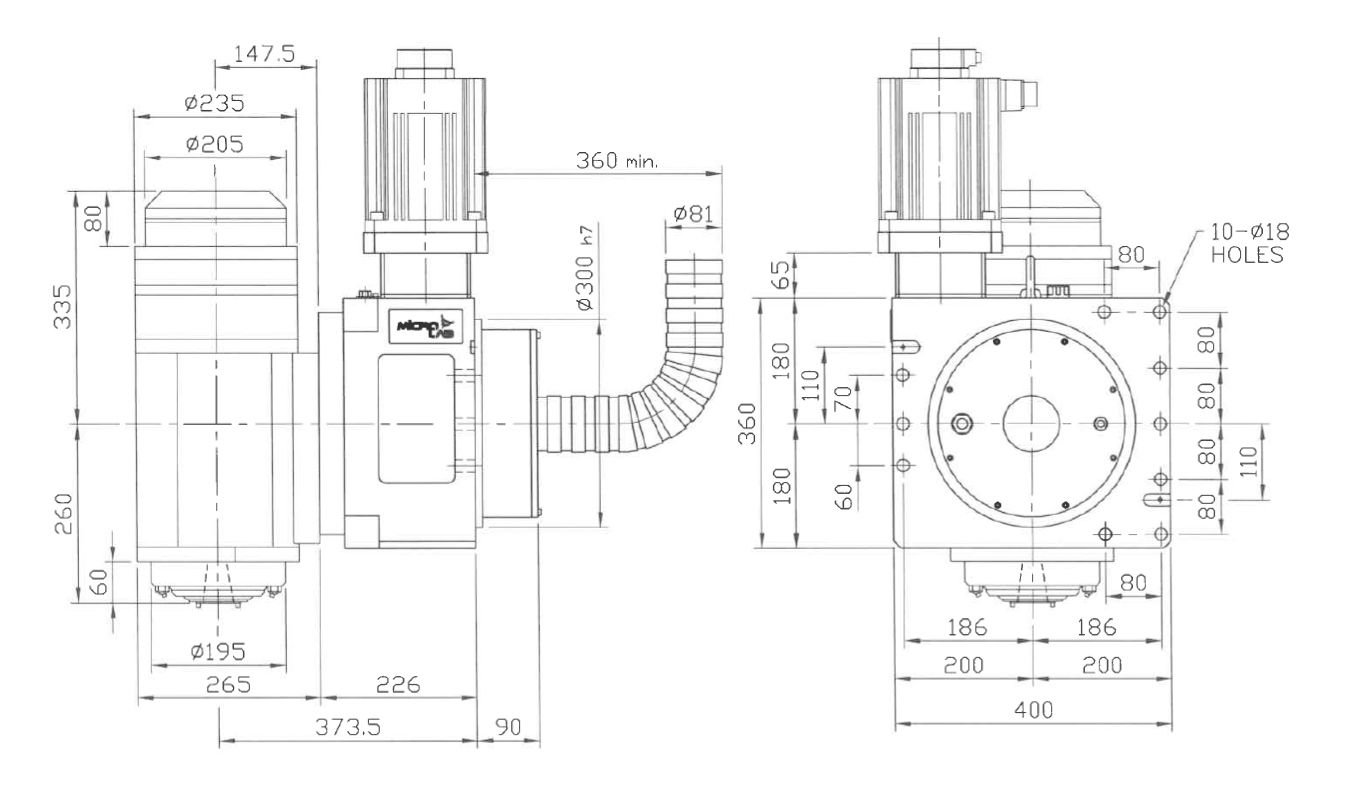
A/C軸主軸頭適用於五軸加工中心機,雙轉軸由蝸輪蝸桿驅動。
提供了更精準且優越的效能來做更複雜,更多面向且精密的加工,像是使用在航太產業、汽車產業等
C軸工作扭矩為750N-m,旋轉速度為 10rpm。
A軸工作扭矩為450N-m,旋轉速度為 20rpm。
ATA-WM轉盤規格表
| 型式 | C軸(旋轉) | A軸(搖擺) |
|---|---|---|
| 傳動方式 | 蝸輪蝸桿 | 蝸輪蝸桿 |
| 工作扭矩 | 750N-m | 450N-m |
| 旋轉速度 | 10rpm | 20rpm |
| 旋轉角度 | ±200∘ | ±120∘ |
| 夾緊力 | 700N-m | 1000N-m |
| 光學尺 | 絕對值檢出編碼器 | |
| 定位精度 | ±8 arc-sec | ±8 arc-sec |
A/C單臂二軸頭主軸規格表
| 型號 | 刀具 | 最高轉速 (rpm) | 軸承 數目 | 環形 噴水 | 中央出水 | 煞車 | 編碼器 (Pulse/rev) | 功率 (KW) | 前軸承直徑 (mm) |
|---|---|---|---|---|---|---|---|---|---|
| RM4-JMSC-T | BT40 DIN40 CAT40 | 10000 12000 15000 | 4 | 標配 | 選配 | 選配 | 1024 | 30KW | Ø 70 |
| RH6-JMSC-T | HSK63A |
A/C單臂二軸頭外觀尺寸表
| 主軸型號 | L | L1 | L2 | L3 | L4 | L5 | D1 | D2 | D3 | M |
|---|---|---|---|---|---|---|---|---|---|---|
| RM4-JMSC-T RH6-JMSC-T | 450 | 280 | 58 | 296 | 327.5 | 182.5 | 195 | 255 | 350 | 8-M16 |


